Mô tả
Điểm nổi bật của đầu bơm cao áp AR Italy – RTD 160.130N
Đầu bơm cao áp lưu lượng lớn RTD160.130N với lưu lượng lên tới 160 lít/phút (~9.6m3/h) và áp suất có thể đạt lến đến 130bar nên được xem là dòng máy siêu lưu lượng trong lĩnh vực bơm áp cao. Lưu ý là máy dùng dòng điện 3 pha với công suất đến 54 HP nên chúng ta phải lựa chọn Motor cho hợp lý.
AR là thương hiệu đầu bơm Italy nổi tiếng toàn cầu. Với một đầu bơm chất lượng, chúng ta có thể tùy ý lựa chọn các loại mô tơ phù hợp với công suất đầu bơm. Với đầu bơm RTD160.130N sẽ lắp ghép theo các kiểu như : trục khớp hay nối bằng khớp xích nên giúp khách hàng có thể sử dụng theo nhu cầu của mình.
- Thiết kế đơn giản, dễ dàng sử dụng.
- Hoạt động êm ái, nhẹ nhàng.
- Đầu bơm lưu lượng cực lớn và áp suất cao tạo.
- Hoạt động mạnh mẽ và bền bỉ với thời gian.
Thông số kỹ thuật của đầu bơm cao áp AR Italy – RTD 160.130N
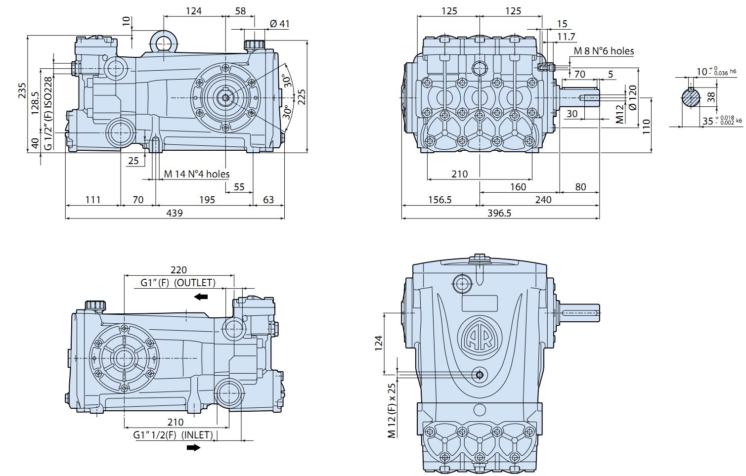
Thân bơm và vỏ bằng được đúc bằng hợp kim nhôm. Nắp phía sau của đầu bơm có thiết kế một cửa xả dầu và mặt kính quan sát mức dầu bôi trơn của trục cam. Pít-tông điều khiển bằng cơ cấu thanh truyền trục khuỷu được làm bằng thép cường độ cao. Thanh kết nối trong hợp kim kẽm-nhôm ma sát thấp được đúc đặc biệt và Pít-tông được cấu tạo bằng một mảnh gốm hình trụ rỗng giúp việc lắp ráp và bảo trì dễ dàng hơn.
- Lưu lượng: 160LPM (lít/phút)
- Vòng quay: 1000RPM (vòng/phút)
- Áp lực tối đa: 130 bar (1900 psi)
- Đường nước cấp: Ren trong – 1-1/2″F BSPP
- Đường nước cao áp: Ren trong – 1”F BSPP
- Kiểu trục: Trục ngoài
- Đường kính trục: 35mm
- Công suất đầu vào: 41kW – 54 HP
- Vật liệu: Hợp kim đồng-niken
- Khối lượng: 55 kg
- Vật liệu piston: Gốm
- Xuất xứ: Annovi Reverberi (AR) Italia
Các ứng dụng của bơm piston AR Italy – RTD 160.130N
Đầu bơm cao áp AR RTD 160.130N của nhà sản xuất Annovi Reverberi của Ý là một trong những sản phẩm được ứng dụng rộng rãi trong hệ thống áp lực dùng cho các nhu cầu như xịt rửa áp lực cao hoặc có thể ứng dụng trong việc tạo áp lực cao trong hệ thống lọc nước biển thành nước ngọt công suất lớn cho các đảo hoặc các cụm dân cư ven biển. Ngoài ra còn một ứng dụng khá mới của bơm áp loại này là thiết bị xịt rửa cao áp cho hệ thống rửa đường dây điện hotline 110kV kết hợp với máy lọc nước RO siêu tinh khiết
Hướng dẫn sử dụng và bảo dưỡng bơm AR cao áp – RTD 160.130N
Sử dụng nước sạch, có bộ lọc rác.
Sử dụng mô tơ tương thích với đầu bơm, với nguồn điện ổn định.
Thường xuyên kiểm tra, châm nhớt cho đầu bơm.
Thông tin chi tiết vui lòng liên hệ theo địa chỉ:
NHÀ PHÂN PHỐI HỆ THỐNG MÁY LỌC NƯỚC BIỂN D-INTEC
Địa chỉ: Tầng 8th, tòa nhà Callary ,123 Lý Chính Thắng, Phường 7, Quận 3 , TP.Hồ Chí Minh, Việt Nam
Hotline: 07 68 90 6688
Website: http://d-intec.com/
Email: info@d-intec.com






Đánh giá
Chưa có đánh giá nào.